Home >
Products >
Construction Fasteners >
Hex Lag Screws
Hex Lag Screws
| Basic Product Diameter |
Threads Per Inch |
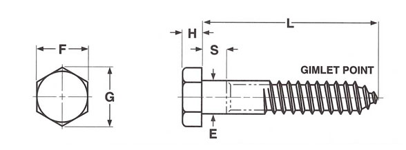
E |
F |
G |
H |
S |
| Body or Shoulder Diameter |
Width Across Flats |
Width Across Corners |
Head Height |
Shoulder Length |
| Max |
Min |
Basic |
Max |
Min |
Max |
Min |
Basic |
Max |
Min |
Min |
| No. 10 |
0.1900 |
11 |
0.199 |
0.178 |
9/32 |
0.281 |
0.271 |
0.323 |
0.309 |
1/8 |
0.140 |
0.110 |
0.094 |
| 1/4 |
0.2500 |
10 |
0.260 |
0.237 |
7/16 |
0.438 |
0.425 |
0.505 |
0.484 |
11/64 |
0.188 |
0.150 |
0.094 |
| 5/16 |
0.3125 |
9 |
0.324 |
0.298 |
1/2 |
0.500 |
0.484 |
0.577 |
0.552 |
7/32 |
0.235 |
0.195 |
0.125 |
| 3/8 |
0.3750 |
7 |
0.388 |
0.360 |
9/16 |
0.562 |
0.544 |
0.650 |
0.620 |
1/4 |
0.268 |
0.226 |
0.125 |
| 7/16 |
0.4375 |
7 |
0.452 |
0.421 |
5/8 |
0.625 |
0.603 |
0.722 |
0.687 |
19/64 |
0.316 |
0.272 |
0.156 |
| 1/2 |
0.5000 |
6 |
0.515 |
0.482 |
3/4 |
0.750 |
0.725 |
0.866 |
0.826 |
11/32 |
0.364 |
0.302 |
0.156 |
| 5/8 |
0.6250 |
5 |
0.642 |
0.605 |
15/16 |
0.938 |
0.906 |
1.083 |
1.033 |
27/64 |
0.444 |
0.378 |
0.312 |
| 3/4 |
0.7500 |
4-1/2 |
0.768 |
0.729 |
1-1/8 |
1.125 |
1.088 |
1.299 |
1.240 |
1/2 |
0.524 |
0.455 |
0.375 |
| 7/8 |
0.8750 |
4 |
0.895 |
0.852 |
1-5/16 |
1.312 |
1.269 |
1.516 |
1.447 |
37/64 |
0.604 |
0.531 |
0.375 |